CN

Shanghai Quanfu Industrial Co., Ltd

UW high precision weighing module

Small range weighing module, high precision weighing module

It is used for inspection scale, belt scale, sorting scale, packaging scale, batching scale, hopper weighing, etc

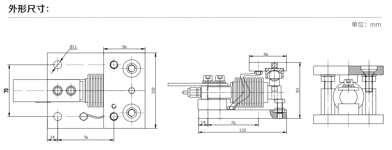
Including upper and lower mounting plates, bellows sensors and vertical anti overturning bolts

Material: carbon steel, nickel plated, stainless steel optional




Product Details

UW series High precision weighing module , with weighing device and small lift

Technical parameters:

Range: 20, 30, 50, 75, 100, 150, 200, 300, 500kg

Accuracy grade of assembled load cell: C3

Basic functions: weight counting, zero setting, peeling, accumulation, constant value and batching

Optional functions: RS232 / 485, 4-in-4-out control, MODBUS, PROFIBUS, DP bus, 4-20mA analog output, relay switching output, etc

Material: carbon steel nickel plated or stainless steel, compact structure, convenient installation and good long-term stability

Structure: it has overload protection and support screw, adopts swing support device, and has self reset function

Sensor options: Toledo, HBM, AVIC, Collie

Explosion proof optional: explosion proof sign ex ia IIC T4 GA

Remarks: the bottom plate and top plate can be installed and customized according to customer requirements, and the sensors and weighing instruments can be selected according to customer requirements


Share To:
Related Products

The large tonnage weighing module adopts column or bridge sensor

It is equipped with upper and lower base plates, which are composed of load-bearing head, horizontal pull rod and anti overturning bolt

It has the characteristics of high precision, good stability and convenient installation

It is especially suitable for weighing device of large tonnage silo


Column type weighing module adopts column type sensor

It is equipped with upper and lower base plates, which are composed of load-bearing head, horizontal pull rod and anti overturning bolt

It has the characteristics of high precision, good stability and convenient installation

It is especially suitable for the weighing device of large tonnage silo.



500kg~20t dynamic load weighing module dynamic load cell

Regardless of installation and combination, including upper and lower mounting plates, sensors and vertical anti overturning bolts

Widely used to transform tank or other mechanical structures into weighing devices

Such as raceway, platform, vertical tank, tank, hopper, etc

It is especially applicable to the weighing control of tank batching process


300kg ~ 20t static load weighing module combined weighing scale

Fixed module, semi floating module and full floating module

According to different assembly methods, it can be divided into these three types of combination methods

This module combination can eliminate the influence of the change of the force point of the sensor caused by the stress deformation or thermal expansion and cold contraction of the container, and is widely used to transform the tank or other mechanical structures into weighing devices

Such as raceway, platform, vertical tank, tank, hopper, etc


Dynamic and static weighing module with horizontal tie rod

The shear beam weighing sensor is adopted, which has high precision and good long-term stability

It is equipped with upper and lower bottom plates, pressure heads, horizontal pull rods and anti tilt bolts to form a dynamic and static load weighing module

The problems of horizontal limit and anti overturning of bearing equipment are solved


Small range weighing module, high precision weighing module

It is used for inspection scale, belt scale, sorting scale, packaging scale, batching scale, hopper weighing, etc

Including upper and lower mounting plates, bellows sensors and vertical anti overturning bolts

Material: carbon steel, nickel plated, stainless steel optional





Product Categories

QQ

Mobile
Consult