Shanghai Quanfu Industrial Co., Ltd
Company Products
Cooperative Brand
Current Position: Home > Company Products >Weighing module > PW column weighing module
Column type weighing module adopts column type sensor
It is equipped with upper and lower base plates, which are composed of load-bearing head, horizontal pull rod and anti overturning bolt
It has the characteristics of high precision, good stability and convenient installation
It is especially suitable for the weighing device of large tonnage silo.
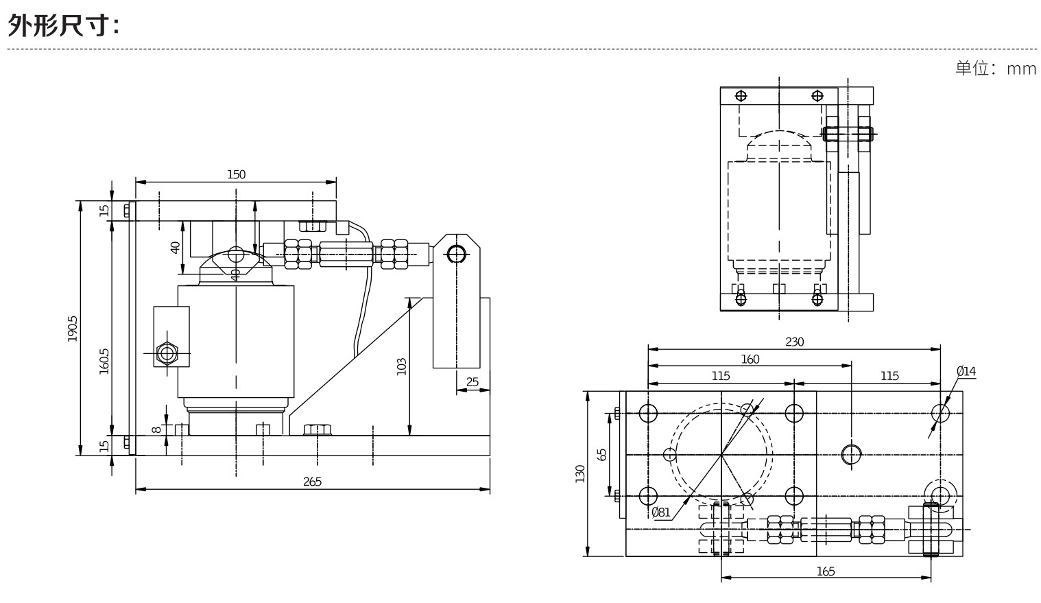
PW series column weighing module
Technical parameters:
Range: 10t, 20t, 30t, 40t, 50t
Accuracy class: C3 assembled high-quality load cell
Material: carbon steel nickel plated or stainless steel, compact structure and good long-term stability
Structure: the anti overturning bolt assembly is optional. Four are in a group configuration, and the lateral limit pull rod of one module must be removed
Basic functions: weight measurement, zero setting, peeling, accumulation, constant value and batching. It is applicable to the weighing control of batching process in tank
Optional functions: RS232 / 485, 4-in-4-out control, MODBUS, PROFIBUS, DP bus, 4-20mA analog output, relay switching output, etc
Sensor options: Toledo, HBM, AVIC, Collie
Explosion proof optional: explosion proof sign ex ia IIC T4 GA
The whole set of equipment includes: top plate, bottom plate, load cell, pressure head and support bolt, junction box, cable, weighing controller and other components.
Specification model:
model | PW-10 | PW-20 | PW-30 | PW-40 | PW-50 |
Maximum weighing | 10t | 20t | 30t | 40t | 50t |
Division value | 10kg | 20kg | 20kg | 20kg | 50kg |
Safety overload | 200% | ||||
Ultimate Overload | 500% | ||||
Degree of protection | IP65/IP68 | ||||
Cable length | 4/5/6/10m | ||||
Other instructions:
The corrosive chemical zone can be equipped with all stainless steel weighing module, equipped with stainless steel welding sealing sensor, with protection grade of IP68, which can be used in various harsh environments
Provide corresponding modules with 4-20mA analog output, which is simple and fast to install
Convenient maintenance, save downtime and maintenance time
It is applicable to the batching and weighing control of large tonnage tank in harsh environment
Replacement of PG 61W Toledo module and PG 6143 Toledo module series


The large tonnage weighing module adopts column or bridge sensor
It is equipped with upper and lower base plates, which are composed of load-bearing head, horizontal pull rod and anti overturning bolt
It has the characteristics of high precision, good stability and convenient installation
It is especially suitable for weighing device of large tonnage silo
Column type weighing module adopts column type sensor
It is equipped with upper and lower base plates, which are composed of load-bearing head, horizontal pull rod and anti overturning bolt
It has the characteristics of high precision, good stability and convenient installation
It is especially suitable for the weighing device of large tonnage silo.
500kg~20t dynamic load weighing module dynamic load cell
Regardless of installation and combination, including upper and lower mounting plates, sensors and vertical anti overturning bolts
Widely used to transform tank or other mechanical structures into weighing devices
Such as raceway, platform, vertical tank, tank, hopper, etc
It is especially applicable to the weighing control of tank batching process
300kg ~ 20t static load weighing module combined weighing scale
Fixed module, semi floating module and full floating module
According to different assembly methods, it can be divided into these three types of combination methods
This module combination can eliminate the influence of the change of the force point of the sensor caused by the stress deformation or thermal expansion and cold contraction of the container, and is widely used to transform the tank or other mechanical structures into weighing devices
Such as raceway, platform, vertical tank, tank, hopper, etc
Dynamic and static weighing module with horizontal tie rod
The shear beam weighing sensor is adopted, which has high precision and good long-term stability
It is equipped with upper and lower bottom plates, pressure heads, horizontal pull rods and anti tilt bolts to form a dynamic and static load weighing module
The problems of horizontal limit and anti overturning of bearing equipment are solved
Small range weighing module, high precision weighing module
It is used for inspection scale, belt scale, sorting scale, packaging scale, batching scale, hopper weighing, etc
Including upper and lower mounting plates, bellows sensors and vertical anti overturning bolts
Material: carbon steel, nickel plated, stainless steel optional